Transistor de potència IRF520N. Configuració bàsica

De wikijoan
Salta a la navegació Salta a la cerca
Irl520 config.jpeg

Els pins de l'arduino o de la Raspberry Pi no poden commutar càrregues de pdotència com ara solenoides o tires de led en sèrie. Per fer-ho es necessita separar el senyal de control del senyal de potència. Es pot fer amb relés o amb transistors de potència.

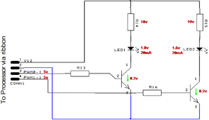
Anem a encendre i apagar una tira de LEDs blancs en sèrie. Primer una mica de càlculs. Els LESs blancs tenen una caiguda de tensió d'uns 3.2V. Per tant, 3,2Vx8=25,6V. Si els alimento amb 32V, i per tal de què els leds s'encenguin necessiten un consum típic de 20mA, puc calcular la resistència limitadora de corrent:

R = V/I = (32-25,6)/20mA = 330 ohm

La potència que dissipa la resistència serà de 6,4V*20mA = 128mW, per tant una resistència petita de 1/4W.

Per tant ja puc muntar el circuit (amb dues R de 1K i 10K) i funciona correctament: quan aplico 5V al gate, s'encenen els LEDs.

Nota: Per encendre LEDs no cal transistor de potència

Injectorcir3.png

Compte! Per encendre els LEDs no cal transistor de potència. Pels LEDs ha de passar 20mA, i per tant no està justificat utilitzar un transistor de potència. Amb un transistor NPN BC547 en tinc prou. El fet de què alimenti el circuit amb 36V no vol dir res. No té res a veure la tensió amb el corrent. Senzillament, si alimento la tira de leds a 36V haurè de calcular la resistència per limitar el corrent a 20mA i que els leds s'encenguin amb bona lluminositat.

Per tant, de la configuració anterior amb el IRF520 senzillament substitueixo el IRF520 pel BC547, tenint en compte que les potes són diferents (E, B, C), i ja està, funciona correctament.


creat per Joan Quintana Compte, març 2013