Bobinadora automàtica
Contingut
- 1 Introducció
- 2 Fil de coure esmaltat
- 3 Nuclis de ferrita o altres materials
- 4 Solenoides que s'utilitzen en un pinball
- 5 Proves solenoide
- 6 Construcció. videos i projectes per agafar idees
- 7 Optical encoder. Circuit bàsic fotodiode + fototransistor
- 8 Connectar l'arduino a un relé de 12V
- 9 Regulador de tensió: 12V a 5V
- 10 Construcció de la bobinadora
- 11 Software arduino
Introducció
Teoria del solenoide:
Es tracta d'automatitzar al màxim la possibilitat de fer solenoides/coils a mida. Es pot utilitzar un motor pas-a-pas d'una impressora com en el següent projecte:
- http://elemental.awardspace.com/proyectos/bobinadora.htm
- http://www.theprojectasylum.com/electronicsprojects/automaticcoilwinder/automaticcoilwinder.html
La idea seria fer una mena de torn que faci girar el nucli, i amb un motor pas-a-pas fer passades cap a la dreta i esquerra del capçal que té el fil de coure, i axí el fil de coure queda ben trenat. Tot controlat amb un programa d'ordinador que se li passen els paràmetres (diàmetre del fil, longitud del nucli, número de voltes,...). Amb el port paral.lel es pot enviar la informació a la placa del driver que controla el motor pas a pas. Un optoacoblador és el que s'encarrega de saber el número de voltes que porto, i també donar els senyals per desplaçar el motor pas a pas.
Hem de discutir d'una banda tota la teoria del solenoide. Després el que fa referència a la bobinadora de solenoides.
Fil de coure esmaltat
El quid de la qüestió és com aconseguir fil de coure ben barat: hilo de cobre esmaltado para bobinas
- http://www.ariston.es/productos/buscar.aspx?cat=992
- http://www.solostocks.com/venta-productos/bobinas-cobre_b
- http://magnetwire.en.alibaba.com/product/1861452636-221254878/Good_quality_18_AWG_copper_magnet_wire.html
- http://www.hechoxnosotrosmismos.com/t13936-resuelto-como-soldar-con-punto-los-bobinados-de-cobre-de-trabajo-y-arranque-de-motor-electrico
En aquest enllaç trobem les bobines de 1Kg i diferent diàmetre.
Amb anglès seria ENAMELLED COPPER WINDING WIRE, i es pot trobar en eBay a diferents diàmetres i tamanys. Per ex,
500g i diàmetre de 0,3mm són 7 lliures + 12 de transpot = 19 lliures serien 26e.
At 50V, a 200 ohm coil is only pulling .25amps. And with the ball traveling, rarely is more than a couple of coils on at a given time. Again, not sure why you think you're going to be drawing 10A in a short cycle. All coil actions are designed to be short cycle. Even when raising a ramp for example, the coil fires to lock the ramp up mechanically, but it doesn't stay energized. A separate coil then releases the lock and the ramp falls. Coils are in 2 flavours, low power (ones that stay on for a short while or are directly driven (most of them) 28v) and high power (flippers) 50V. They (momentary) are fired for 28ms.
Encara no està decidit si necessito 24V/36V/50V. Està clar que 24V sí que en necessitaré. El millor serà començar per 0,10mm, i fer prova/error. A l'hora de fer bobines s'haurà de triar un diàmetre del fil, i això vindrà determinat per l'amperatge que suportarà, doncs el fil es calentarà i el factor limitant és el que suporta l'aïllant. Per calcular l'amperatge tenim : I=V/R, i la resistència és proporcional al número de voltes.:
Al final he comprat (juny 2016) per 28 e (cost + envio) un rotllo de 500 g de 0,16mm de diàmetre (de 0,10mm) no n'he trobat:
Soldar
i també és important saber soldar el fil de coure esmaltat, doncs les primeres proves que vaig fer no funcionaven, no és evident treure l'esmalt:
A mi me ha tocado reparar audífonos y lo que hacía es rasparle las puntas con una lija de agua nº 400 (mientras mas delgado el hilo, mas fina la lija); lijo, doy vuelta al hilo, lijo, aplico flux y listo para soldar. ... tambien la otra opcion es quemar rapidamente la punta a soldar con algun encendedor... y retirar la pelicula de aislante carbonizada con algun paño. y listo para soldar ... Yo uso decapante, lo dejo actuar unos segundos y el calor del soldador hace el resto.
Per decapar es pot utilitzar el que es fa servir per treure la laca de les ungles. Però amb paper de vidre de gra fi va bé.
Nuclis de ferrita o altres materials
Es poden comprar en diferents diàmetres i longituds a
El fabricant és Fair-Rite:
Concretament, el que m'interessa són rods:
i el distribuidor a Espanya és
amb seu central a Madrid i delegació a Badalona:
Zona Nordeste Avinguda dels Vents, 9 - 13, 5º - 4ª, esc. A 08917 - BADALONA (BARCELONA) Tel.: (+34) 902 50 99 80 Fax: (+34) 91 659 14 36 barcelona@redislogar.es
També es poden trobar a es.farnell, i a eBay.
Ara bé, compte perquè ens hem de documentar bé. Els nuclis de ferrita que porten alguns cables són per suprimir el problema de les freqüències altes i interferències. Per freqüències baixes, els nuclis de ferro també van bé com a material amb permeabilitat magnètica, i es podrien fer servir com a nuclis per fer els solenoides. S'han de fer proves:
Els solenoides dels pinball no porten nucli de ferro: senzillament plàstic o alumini. Efectivament un nucli de ferro augmenta la potència. El nucli de ferrita no cal, només s'utilitzen en aplicacions d'alta freqüència perquè tenen menys pèrdues.
Solenoides que s'utilitzen en un pinball
La idea de fer una bobinadora de solenoides és per automatitzar la tasca de fer solenoides potents com pot ser els que s'utilitzen en els pinballs.
Important llegir!
- http://www.pinballmedic.net/coil_chart.html
- http://pinballmedic.net/coil_chart.html#coil_wire_gauge_strength_rules
Entre d'altres coses s'explica que per tal d'augmentar la potència d'un solenoide, de fet s'han de reduir el número de voltes.
Part Number Indications of Coil Construction The majority of Williams and Bally coil part numbers indicate the construction method used to build the coil. The first letter or two indicates the type of sleeve, the position or length of the wire terminal lugs. An example of a Williams coil part number is AL-23-550. An AL coil has base wire lugs on the left and middle of the coil's base. In our example - 23=wire gauge; 500=number of turns of wire. The first two digits in the Williams coil part number (Ex. AE-23-550) indicate the American Wire Gauge (AWG). The last set of part number digits (Ex. AE-23-550) indicate the number of turns of wire on the coil. The example solenoid coil (AE-23-550) would be a very strong coil because of the small number of turns of wire*. A typical use for a coil this strong would be in an outhole ball eject mechanism or YUK unit. These types of devices are only activated for a short period of time and must push a heavy game ball up a steep slope or lift it out of a hole. *See the Coil Wire Turns Strength Rule for information on how to estimate coil strength by the number of coil wire turns.
23AWG són 0,5mm de diàmetre, molt més que el cable de 0,16 que he comprat! El cable de 0,16mm són 34AWG.
Un resum dels solenoides que s'utilitzen en un pinball William:
Williams EM Pinball Solenoid Coil Chart Coil Number Typical Application A-22-550 Ball Release, Unit Step-up A-23-600 Ball Ejector, Unit Step-up A2-23-750 Knocker, Bell A2-26-1025 Chime A2-26-1300 Chime B-26-800 Score Drum, Unit Reset B-27-1100 Reset B-28-1450 Score Drum Unit B1-26-800 Score Drum, Unit Reset EM=Electromechanical (relay operated) C2-26-800 Bell, Chime FL-20-300/28-400 Flipper FL-21-375/28-400 Flipper FL-26-950/250 Step-up G-21-400 Horse Race Ball Shooter G-22-550 Jet Bumper, Drop Target, Reset G-23-750 Jet Bumper, Ball Ejector, Kicker G-23-750-DC DC Jet Bumper, Kicker
i en l'article també hi ha comparatives amb coils dels altres fabricants. A més, s'ha de tenir present la tensió amb què operen aquests coils. És normal que l'alimentació dels coils més potents sigui de 50V.
Per al flipper hi ha dos coils: el de potència (FL-20-300, cable més gruixut, menys voltes), i el de manteniment (FL-20-300/28-400, cable més prim, més voltes). Però a part d'aquesta diferència en la configuració, s'ha de tenir present que em sembla que la tensió que reben és diferent (50V vs 24V?).
I una cosa interessant és que tots aquests coils utilitzen com a nucli (camisa/sleeve) plàstic o alumini. Res de ferrita o altres materials.
La clau de tots aquests solenoides de pinball és que només actuen momentàniament, i no els dóna temps a calentar-se. És per això que prefereixen menos voltes i més gruix (menys resistència), i una intensitat alta. Passa bastanta corrent, podria augmentar la temperatura, però no ho fa perquè són momentanis.
És interessant aquesta discussió:
si hagués d'alimentar el solenoide amb piles (no recomanable) m'interessaria que el corrent fos petit, i aleshores per mantenir la força faria més número de voltes (+camp magnàtic, +resistència, -corrent) i cable més prim (+resistència, -corrent). Però si tinc una font d'alimentació bona, com és el cas dels pinballs, puc utilitzar corrents grosses i així és més fàcil tenir solenoides potents.
Sleeve (camisa)
Els cors dels coils no són ferromagnètics, sinó senzillament de plàstic o metall.
Bally and Gottlieb use the same 1 1/2 inches long standard coil body. Gottlieb and Bally coils usually use a 1 5/8 inch long coil sleeve.
I és que distingim la zona on s'enrotlla el coure, però la camisa sobresurt una mica meś.
Proves solenoide
Prova 1
- nucli de ferrita toroidal (d'una font d'alimentació de 20mm de long i 7 mm diàmetre intern).
- cable coure 0,10mm
- 750 voltes
- resistència 69 ohm
- 24V
- 300 mA
- Força: molt poca força
Construcció. videos i projectes per agafar idees
Amb aquests videos es poden veure diferents idees i dissenys.
- https://www.youtube.com/watch?v=_z4OVsFWYyw
- https://www.youtube.com/watch?v=j5JeI5lDzG8
- https://www.youtube.com/watch?v=uX2iCRdSFmI
- https://www.youtube.com/watch?annotation_id=annotation_991639&feature=iv&src_vid=uX2iCRdSFmI&v=ye_pUOLggMM
- https://www.youtube.com/watch?v=yfppXiNRnrc
- https://www.youtube.com/watch?v=cVaFY_NwJPQ
El meu disseny s'hauria d'assemblar a aquest:
Optical encoder. Circuit bàsic fotodiode + fototransistor
Per fer una bobinadora s'ha de comptar el número de voltes. Per tant, es necessita un encoder, millor un optical encoder. Concretament, en aquest article s'explica com fer un optical encoder a partir dels components d'un ratolí.
A partir d'un LED (IR) i un fototransistor agafat d'un ratolí de boles, el circuit més senzill és el que es mostra a:
Però els fototransistors no s'han de confondre amb un altre dispositiu que també tenen els ratolins: els IR Receiver ICs:
No s'ha de confondre. Com diu l'enllaç:
The IR Receiver you have is a simple phototransistor. The IR Receiver the library uses is a (typically) 38khz IR decoder, with logic on it to remove the remote's carrier wave. They are not interchangeable.
Llegeixo a:
Para recibir este haz pulsante se usan foto receptores infrarrojos integrados , un dispositivo que en el mismo encapsulado reune el receptor de luz infrarroja, una lente y toda la lógica necesaria para distinguir señales moduladas a una determinada frecuencia , es decir un filtro de frecuencia digital.
Bé, però a mi m'interessa el circuit senzilla LED IR-Fototransistor més simple que funciona en els ratolins de bola. I és important la informació que trobo en l'anterior enllaç:
La máxima corriente permita por el LED infrarrojo es 150mA (0.15A)esto hay que considerar para poner la resistencia limitadora
(5v-0,6)/0.15 = 29 ohm !!!
Per tant ens trobem que per tal de què el LED emeti la resistència ha de ser petita!! Per saber si el LED emet puc utilitzar la càmera del mòbil:
Importante : La luz del led infrarrojo no es visible para el ojo humano , para saber si está encendido o no lo está se debe observar con una camara web , camara digital o la camara de un telefono celular , se observará un punto luminoso de un color medio violeta , electricamente se puede encontrar anodo y catodo usando un multimetro normal.
Quan al fototransistor, que té tres potes, la del mig és l'emissor comú, i les altres dos són el col.lector, que van juntes (la base no té pota, és on es rep la llum infraroja).
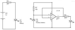
A veure si aquesta configuració bàsica funciona. Si no, s'haurà d'afegir un operacional LM358 com a seguidor de tensió per assegurar la tensió de sortida, tal com es veu en l'esquema.
NOTA: efectivament s'ha d'utilitzar el LM358 per estabilitzar el senyal de sortida, seguint l'esquema de la imatge.
Un altre enllaç interessant on es veu el circuit bàsic i les connexions del fototransistor dual:
El fototransistor dual són dos transistors NPN amb els col.lectors units (la pota del mig) i els altres dos pins són els emissors.
NOTA. No cal complicar-se massa la vida. Al finl he comprat Mòdul d'infrarojos per tal de detectar el número de voltes: (3e)
Connectar l'arduino a un relé de 12V
El motor va a 12V, i el relé per tancar el motor també va a 12V. Per tant, necessitaré una font d'alimentació de 12V per alimentar el motor i per tancar el relé (el relé tancarà o obrirà el motor). Per controlar el relé des de l'arduino es necessita un transistor i està ben explicat a:
El meu relé són 276 ohm, i tanca a 12V.
I = 12V / 276 ohm = 43 mA
Els pins de l'arduino només proporcionen 20mA, per tant necessito un transistor. En l'enllaç es comenta el BC548, però de fet el BC547 i el BC549 també són vàlids fins a 12V, que també són NPN. Jo faig servir el BC549.
Faig servir una resistència de base de 10K, igual que l'enllaç, i l'esquema funciona correctament. El càlcul per agafar aquest valor està en l'enllaç.
Regulador de tensió: 12V a 5V
En principi l'arduino l'alimentaré des de l'ordinador. Si no em cal l'ordinador necessitaré un regulador de tensió per convertir de 12V a 5V:
Construcció de la bobinadora
Material
La primera missió de la bobinadora és fer solenoides, i he de prendre la decisió de quin diàmetre tindrà el rod/core dels solenoides, i el plunger que hi haurà dins. Això determinarà la varilla roscada per on ficarà el carro que vull bobinar.
- plunger solenoide: varilla de ferro de 5mm diam.
- core (rod) solenoide: 10mm diam ext, 8mm diam int. Entre el plunger i el core hi haurà una camisa de plàstic.
tinc varilles roscades de M8, M4 i M5. Tinc un cargol allargat del M5. També hi ha varilles roscades de M6. La varilla del M8 entra dins el rod, que és de 8mm.
Per tant, la camisa de plàstic serà de 8mm diàmetre exterior, i 5mm diàmetre interior (per on passa el plunger).
Entre paret i paret hi haurà 4 varilles:
- eix alimentador de coure. El diàmetre de la varilla no és crític. La bobina alimentadora pot anar una mica suelta.
- carriage: és el que va connectat al stepper-motor, amb varilla roscada de 4mm (o 5mm), i una altra varilla de 4mm per tal de què no roti (no cal que sigui roscada). Fa que el cable es vagi desplaçant a la dreta o a l'esquerra.
- winder: és on va el solenoide. Necessito una varilla roscada de 8 mm amb rosca i contra-rosca per tal de què no es mogui.
Stepper motor coupler: he comprat dos acobladors de 5mm-5mm.
Mòdul d'infrarojos per tal de detectar el número de voltes: (3e)
Software arduino
creat per Joan Quintana Compte, abril 2014, juny 2016